Início » Trab. Estudantes » Física » 9º Ano

Trabalhos de Estudantes

Trab. de Física - 9º Ano

 

Circuitos Electricos

Autores: Carolina Neves

Escola: [Escola não identificada]

Data de Publicação: 06/07/2011

Resumo do Trabalho: Trabalho sobre circuitos eléctricos, realizado no âmbito da disciplina de Física (9º ano).

Ver Trabalho Completo

Comentar este trabalho / Ler outros comentários

Se tens trabalhos com boas classificações, envia-nos, de preferência em word para notapositiva@sapo.pt pois só assim o nosso site poderá crescer.

 

 

 

Circuitos Eléctricos

Viver em segurança

Circuito eléctrico

Circuito abertonão há passagem de corrente eléctrica

Circuito fechado passagem de corrente eléctrica

 

 

Alessandro Volta (1745 – 1827)

 

 

Receptores de energia – aproveitam a corrente eléctrica, transformando-a utilmente

 

Materiais condutores – materiais e soluções que conduzem a corrente eléctrica

 

Corrente eléctrica

Nos metais corresponde a um                          Nas soluções corresponde

movimento ordenado e orientado                    a um fluxo de iões.
de electrões.

Sentido da corrente eléctrica

Sentido convencional – do terminal positivo para o terminal negativo

Sentido real – do terminal negativo para o terminal positivo.

Representação de circuitos eléctricos

          Circuitos em série                                         Circuitos em paralelo

    A electricidade percorre                          A electricidade percorre mais

        um único caminho                                    do que um caminho

DIFERENÇA DE POTENCIAL ou TENSÃO (d.d.p.) ou (U)

É a energia transferida para o circuito eléctrico por unidade de carga eléctrica.

Quanto maior for a diferença de potencial entre os pólos do gerador, maior será a quantidade de energia eléctrica fornecida ao circuito eléctrico.

A unidade SI de diferença de potencial é o volt (V) em homenagem ao físico italiano Alessandro Volta (1745-1827)

 

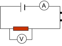
Como medir a diferença de potencial entre dois pontos de um circuito?

Utilizam-se voltímetros (digitais ou analógicos)

1º Passo – colocar o botão comutador para corrente alternada (~) ou para corrente contínua (c.c ou =), consoante o tipo de corrente eléctrica que se vai utilizar.

2º Passo – escolher o alcance. O alcance é a tensão máxima que o voltímetro pode medir. Começar por escolher o alcance de maior valor.

3º Passo montar o voltímetro em paralelo entre os terminais do elemento do circuito onde se pretende medir (respeitar a polaridade na corrente contínua).

4º Passo – fechar o interruptor. Se o ponteiro não ultrapassar 1/3 da escala, verificar se poderemos utilizar o alcance imediatamente inferior.

5º Passo – ler o valor indicado no voltímetro. 

Como efectuar a leitura na escala de um voltímetro analógico?

Diferença de potencial entre os terminais de uma associação de receptores

INTENSIDADE DA CORRENTE (I)

É a quantidade de cargas eléctricas (Q) que atravessam uma dada secção do condutor metálico num dado intervalo de tempo.

I = Q / ∆t

A unidade SI é o ampere (A), em homenagem ao físico e matemático francês André-Marie Ampère (1775-1836)

 

A unidade SI de quantidade de carga eléctrica é o coulomb (C), em homenagem ao físico francês Charles Augustin de Coulomb (1736 - 1806)

 

Como medir a intensidade da corrente eléctrica?

Utilizam-se amperímetros (digitais ou analógicos)

Como ligar o amperímetro ao circuito?

Os amperímetros são instalados sempre em série num circuito, em conjunto com os restantes componentes, no troço onde se pretende saber o seu valor (respeitar a polaridade, na corrente contínua).

Receptores ligados em série

Num circuito, a intensidade de corrente eléctrica é a mesma em todos os elementos do circuito.

Receptores ligados em paralelo

A intensidade da corrente no circuito principal em que os receptores estão associados em paralelo é superior à registada quando os receptores se associam em série.

O valor da intensidade da corrente que percorre o circuito principal é igual à soma das intensidades da corrente das derivações.

Itotal = I1 + I2

Os receptores têm valores máximos de intensidade da corrente que os percorrem.

BONS E MAUS CONDUTORES DA CORRENTE ELÉCTRICA

RESISTÊNCIA ELÉCTRICA (R)

É uma grandeza física que mede a maior ou menor oposição que um condutor oferece à passagem da corrente eléctrica.

A unidade do SI é o ohm (Ω), em homenagem ao físico alemão Georg Simon Ohm (1787-1854)

O aparelho que mede resistências eléctricas chama-se ohmímetro.

A medição da resistência de um condutor com o ohmímetro é feita fora do circuito.

Lei de Ohm

A diferença de potencial nos extremos de um condutor óhmico (metálico, homogéneo e filiforme) é directamente proporcional à intensidade da corrente que o percorre desde que a temperatura se mantenha constante.

R = U / I

R – resistência (Ω)

U – diferença de potencial (V)

I – intensidade da corrente eléctrica (A)

Esta fórmula permite-nos calcular indirectamente a resistência de um condutor óhmico

 

 

“A diferença de potencial nos extremos de um condutor óhmico é directamente proporcional à intensidade da corrente que o percorre desde que a temperatura se mantenha constante.”

Factores de que depende a resistência eléctrica de um condutor

 

. do material de que é feito

. do seu comprimento

. da área da sua secção

 

 

 

 

Dispositivos que controlam a resistência eléctrica nos circuitos

. Resístores ou resistências eléctricas

. Reóstatos ou potenciómetros

. Outras resistências (díodo, LED, LDR, termístor)

                            Díodo                                                    LED

Resistência muito elevada num sentido e muito baixa no sentido oposto

                            LDR                                                   Termístor

      Resistência muito baixa                     Resistência muito baixa em

      na luz e muito alta no escuro             temperaturas altas e muito

                                                         alta em temperaturas baixas

POTÊNCIA ELÉCTRICA (P)

Corresponde à energia eléctrica consumida num dado intervalo de tempo.

E = P x ∆t   ou   P = E/∆t

E – energia eléctrica consumida (J)

P – potência eléctrica (W)

∆t – intervalo de tempo de funcionamento (s)

Determina-se a intensidade da corrente que atravessa um qualquer receptor, sabendo a sua potência e a voltagem que está a ser utilizada.

P = U x I

Para condutores óhmicos a expressão anterior pode tomar outras formas

P = R x I2  
Porque R = U/I

Lei de Joule – A potência dissipada num condutor óhmico de resistência R é directamente proporcional ao calor da resistência e ao quadrado da intensidade da corrente que o percorre.

E ainda,

P = U2 / R

A unidade de potência eléctrica, no SI, é o watt (W), em homenagem ao físico Escocês James Watt, 1736 - 1819

Múltiplos do Watt

1 kW = 1000 W

1 MW = 1000 000 W

1 GW = 1000 000 000 W

Energia consumida = Potência do aparelho x intervalo de tempo

E = P x ∆t

Um quilowatt-hora é a energia eléctrica consumida por um aparelho cuja potência é um quilowatt, durante uma hora.

1 kW h = 3,6 x 106 J

1 kW h = 3,6 MJ

Factura da electricidade

Efeitos da corrente eléctrica

1. Efeito químico

2. Efeito térmico ou efeito de Joule

3. Efeito magnético

1. EFEITO QUÍMICO

Consiste nas reacções químicas que ocorrem devido à passagem da corrente eléctrica através de soluções aquosas condutoras ou substâncias fundidas (electrólises).

 

. Solução aquosa de cloreto de cobre (II)

. metalização dos pára-choques dos automóveis

. Extracção de metais

2. EFEITO TÉRMICO ou EFEITO JOULE

Consiste na libertação de energia calorífica num condutor devido à passagem da corrente

3. EFEITO MAGNÉTICO

Consiste no aparecimento de um campo magnético em torno de um fio percorrido pela corrente eléctrica.

ELECTROMAGNETISMO

Ímanes naturais – magnetite (minério de ferro).

Atrai objectos de ferro e aço

Ímanes artificiais

  . ferro e aço

  . cerâmicas magnéticas (óxidos de cobalto e níquel)

  . ímanes de neodímio 

Os ímanes possuem pólos magnéticos: pólo norte (N) e pólo sul (S)

Os ímanes exercem interacções magnéticas entre si.

  . Pólos do mesmo nome repelem-se

  . Pólos de nomes diferentes atraem-se.

O campo magnético é uma região do espaço onde se detectam interacções magnéticas

As linhas de campo ou linhas de força são linhas imaginárias segundo as quais se orienta o campo magnético.

A corrente eléctrica e o campo magnético

Quando a corrente eléctrica percorre um condutor produz um campo magnético.

Quando se inverte o sentido da corrente eléctrica produz-se uma variação do campo magnético.

Electroímanes

EFEITOS ELÉCTRICOS DO MAGNETISMO CORRENTES INDUZIDAS

Correntes de indução ou correntes induzidas – são correntes eléctricas produzidas por variação de campos magnéticos (foram descobertas por Michael Faraday, em 1831)

A intensidade da corrente que percorre o induzido depende:

. do número de espiras da bobina;

. da rapidez do movimento do íman ou da bobina.

As correntes induzidas são devidas à variação do número de linhas de campo que atravessam um condutor. Este fenómeno designa-se por indução electromagnética.

PRODUÇÃO DE ELECTRICIDADE

DÍNAMOS

ALTERNADORES

 

 

Outros Trabalhos Relacionados

Ainda não existem outros trabalhos relacionados

Início » Trab. Estudantes » Física » 9º Ano